产品经理如何避免人人喊打?

2017 年 10 月 6 日 产品100干货速递 刘祯

本文是作者对于产品经理的一些思考和总结,成为一名优秀的产品经理从来都是任重而道远,提升专业能力与职业素养都是不可或缺的。




是时候总结自己的工作了。

 

最近负责的项目有些棘手,压力更大。每天陷入繁重的工作之中,很难能够跳出固有思维框架来重新审视目前公司产品线以及未来的规划。刚入职时的豪情壮志在每天的细节工作中消磨殆尽,这不得不说是一件令人担心的事情。

 

当然,对于公司产品的定位以及战略方向,一定是由公司 CEO 全权负责,产品经理更多地配合并且将宏观规划一步一步落实。然而,目前公司产品线众多,真正体验了与开发沟通的矛盾之后,我越来越困惑了。

 

每次公司例会,我总是有一种莫名的忧虑:

 

这一阶段的工作是否按照之前的规划逐步进行?

项目开发是否如期上线?

每个产品的需求优先级排列如何?

对于业务逻辑与页面规则是否有清晰的说明?

我们下一步要完成哪些内容?

 

这些问题一次又一次敲打着我内心。我总是不自觉地反思:


目前的工作是否有价值?

是否对得起这份工作?

自己在工作上是否得到了成长?

 

这些内心矛盾与外部冲突都不可避免,对于大多数的互联网创业公司而言,产品经理的工作在于需求挖掘与产品设计,将这一想法付诸实践,同时跟踪项目进度,并且不断通过数据与反馈迭代优化。

 

刚了解这一职位时,我一直觉得产品经理是需要多维度的逻辑思维和专业能力,回顾工作,却发现自己对于用户需求、产品设计、文档撰写、项目管理、数据分析、用户体验等一系列方面似懂非懂,每一部分都是需要极大的精力与投入,可是目前却难以实现全面而系统的个人成长。

 

更有甚者,我听说最多的故事,就是互联网公司需要一个背锅的人,而产品经理便是绝佳人选。任何问题都是产品经理直接或者间接的工作失职。其实,这一玩笑的背后也蕴含了诸多的无奈。


公司 CEO 曾说:产品经理是公司沟通的立交桥,左边是市场,右边是技术,你要做的就是让两边能够顺利畅通,而不是南辕北辙。

 



说到这里,我不禁想起了与小宇的那些事。

 

小宇是我们创业后认识的一位技术伙伴,熟悉 PhP 程序语言开发,在工作两年后,他辞去知名杂志社工作加入我们的创业团队,他负责技术,我负责产品,两人便因此相识了。

 

刚认识小宇之时,我还是十分稚嫩,关于需求讨论或是开发进度都不可避免地与他产生各种各样的矛盾,这一度让我十分压抑,似乎我的角色要被代替了。在我看来,他的确经验丰富,对于技术、产品、趋势、商业都有清晰的见解,很多方面我都需要向他请教,但我心里总是有些不甘,希望能够成为全面的产品经理。


再三反思后,我逐渐转变了自己的工作态度以及沟通方式,虽然他说话直白,但就事论事,我认为是很舒服的交流方式。自此之后,公司的产品规划与项目进度便由我们商讨决定,两人也成为了好朋友。

 

和他接触了这么长一段时间,我也在慢慢地理解技术的思维方式与沟通逻辑。目前自认为做得较好的就是项目管理和团队沟通,可能是因为自我管理意识很强烈,不自觉地在项目开发过程融入自己的思考与理解,按照进度如期开展。然而,其他方面却挖掘不够,浅尝辄止,无法形成系统的思考方式。

 

在我看来,除了上述环节外,产品经理背锅的地方实在太多,一不小心就会发现原来每个地方都是坑。

 

这个需求是谁提出来的?是否经过了用户调研?

这个功能的计算规则如何?是否满足了现有产品的需要?

这个页面流程为什么如此复杂?是否提升了用户体验?

 

而到头来,大家都会来质问产品经理。




因此,要想在团队中拥有良好的沟通协作关系,避免被打,我总结下来有以下几个方面:

 

一、提升产品专业度:

 

1. 少改需求:

 

不可否认,开发同事最不愿意听到的就是「我们之前会议上定下的需求今天要修改了,逻辑和上次不一样」。

 

有人说,那在产品设计时考虑周全些就好了。改需求其实有很多现实原因,但是产品经理要认真评估,而非随意拍脑袋决定。

 

例如,公司最近在开发红包系统与账户体系,一周前大家已经决定,将红包视为全平台通用,下单时自动抵扣在线支付金额。


正当项目进行中,市场部同事与 CEO 提出了对于滥用红包与分享的观点,结合未来充值奖励,我们的账户体系需要重新优化。

 

我能深刻地感受开发同事的无奈,此时最佳方法就是将所有讨论内容统一记录,并且安排时间重新评估,这样也可避免一时兴起,随意修改需求。

 

2. 明确版本的重点与需求优先级

 

我们经常看到某某产品有升级了新版本,这一版本的主要功能有哪些。这也是产品经理日常工作的一部分。

 

公司每半个月都会动态调整当前产品线的开发优先级,无论是 App、小程序还是微网站、后台管理,这些都是要结合实际情况去调整。

 

而我们目前对需求优先级排序的标准有以下四点:

 

  • 一是看用户量和发生频率,优先解决大用户量的高频问题,满足基础体验;

  • 二是看开发难度和预期效果,优先做难度不大、效果明显的事情,进行迭代;

  • 三是看产品价值,优先解决用户迫切程度较高,且付费意愿较强的需求;

  • 四是看对目前群体的熟悉程度,优先解决熟悉的用户群体所遇到的问题。

 

当然,我们对需求优先级的定义要基于当时的环境和实际情况,因而用户需求是一个动态变化的过程,在确保满足基本需求时,也要适当考虑满足用户期望和兴奋型需求。

 

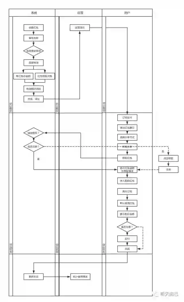
3. 清晰的流程、原型与文档

 

这三项是产品经理的必备技能,每次的需求都需要明确背景、功能以及目的,同时这是与设计、研发与测试同事沟通的桥梁。

 

从需求提出、功能流程到原型设计、需求文档,每一步都是强化与提炼整个产品的过程。


图片来源:红包功能业务流程图


每次的需求文档撰写其实是一件耗费心神却十分有意义的工作。至今为止,重大版本的更新迭代我都有完整的需求文档进行保存或者沟通,每次的需求文档都要全面地考虑从产品到运营的每一阶段任务,这也十分考验写作能力与逻辑思维能力。


算下来,20 多篇需求文档,我也大约完成了 10 万字,你们可以想象下。

 

4. 全员认真的需求评审

 

需求评审作为统一思想、确定过程的核心环节,最考验产品经理专业度和人品值。

 

参与需求评审会的人员一般包括设计、研发、测试以及运营人员,这样可提前确认产品需求实现的过程和方法,并让参与者了解工作内容与交付时间。

 

最近上线的高校校友网球协会小程序(CUATA)就是 7 月底确立的项目,在明确需求以及每个阶段的任务之后,我们便开始了流程与原型设计,期间沟通了多次,并且进行了全面的需求评审,统一思想。


产品逐步更新后,梳理了问题列表,并每天及时更新,确认发布内容。整个开发过程较为顺畅,期间虽然也遇到了一些困难,但在大家的共同努力下,小程序如期上线了。


图片来源:CUATA 小程序设计


5. 测试用例、测试过程全程参与

 

产品经理必须要对产品开发的状况有基本的了解,并对问题做出判断,以及优先级的调整。

 

这一方面目前较为薄弱,这方面的训练或是专业书籍了解甚少。所有的测试环节都应当基于需求文档。专业的测试必须从流程中分解测试用例,详细记录发生问题的步骤与阶段,然后与研发同事沟通并复现。

 

二、提升职业素养

 

职业素养是每一位职场人的必备素质,体现了人品与工作态度,产品经理同样要秉承良好的职业素养与操守。

 

1. 出席站立会、不迟到、陪团队一起加班


加班对于研发而言是家常便饭,产品经理更是要态度端正,以身作则,遇到问题承担责任,积极沟通。

 

在产品开发和上线的过程中,毫无疑问会冒出各种各样的问题,比如说项目延迟上线、服务器没扛住访问压力等等。

 

产品经理就需要敢于站出来直接承认错误,承担责任,如果产品经理在这种重大事件面前都能站出来承担责任,那么你的项目团队成员则会对你更加信任。

 

2. 把一切落实在纸面上,会议有记录,讨论有记录,及时同步变化,公开透明

 

产品经理的职责之一就是多方沟通,每次的会议或是讨论一定要记录,并且形成标准化工作流程,时刻保持信息同步,避免出现进度不一致的情况。

 

以上就是我对于产品经理的一些思考与总结。成为一名优秀的产品经理从来都是任重而道远,提升专业能力与职业素养绝对是不可或缺。

 

凡事从自己做起,勇于担当,学会沟通,方为正道。希望你能够有所启发。



作者:刘祯

来源:微信公众号 / 听天由己


本文由作者授权产品壹佰发布,如需转载,请联系作者。

投稿邮箱:[email protected] 欢迎您的来稿


产品壹佰www.chanpin100.com),是慧科集团旗下企业开课吧诚意打造的,互联网产品人学习成长社群;致力于为互联网产品爱好者,提供优质学习资讯、线上公开课、线下沙龙、学习社群与教学服务。


开课吧 www.kaikeba.com ),是慧科集团倾力打造的互联网人学习成长社群,2016年8月,开课吧实力融聚无限互联、莱茵教育、产品壹佰、美好学院等知名职业教育品牌,专注打造互联网产品经理、UXD全能设计、技术开发等前沿专业课程及学习社群。致力于通过创新科技,提供智慧学习服务,高效链接人与知识,帮助互联网人实现可持续职业成长。



登录查看更多
0

相关内容

产品经理(Product manager,简称为 PM)是指,定义1:在公司中,针对某一项或是某一类的产品进行规划和管理的人,主要负责产品的需求分析、研发、制造、营销、渠道等工作;定义2:是针对某个产品,贯穿其生命周期,没有行政权力的全面负责人。一般来说,产品经理是负责并保证高质量的产品按时完成和发布的专职管理人员(某些公司有专职的项目经理完成)。他的任务包括倾听用户需求;负责产品功能的定义、规划和设计;做各种复杂决策,保证开发队伍顺利开展工作及跟踪错误等,总之,产品经理全权负责产品的最终完成和后续迭代
FPGA加速系统开发工具设计:综述与实践
专知会员服务
69+阅读 · 2020年6月24日
AI创新者:破解项目绩效的密码
专知会员服务
35+阅读 · 2020年6月21日
专知会员服务
148+阅读 · 2020年6月15日
打怪升级!2020机器学习工程师技术路线图
专知会员服务
99+阅读 · 2020年6月3日
【实用书】Python数据科学从零开始,330页pdf
专知会员服务
145+阅读 · 2020年5月19日
【经典书】贝叶斯编程,378页pdf,Bayesian Programming
专知会员服务
251+阅读 · 2020年5月18日
转岗产品经理,花了3个月都做不好需求工作
人人都是产品经理
10+阅读 · 2019年9月16日
体系化入门AI产品经理,应该如何学习
人人都是产品经理
7+阅读 · 2019年5月4日
如何成为一名商业产品经理?
产品100干货速递
6+阅读 · 2018年10月18日
“搞机器学习没前途”
CSDN
236+阅读 · 2018年9月12日
AI产品经理从业指南
产品经理读书会
5+阅读 · 2018年8月11日
Python 如何快速入门?
大数据技术
11+阅读 · 2018年4月9日
如何系统地学习数据挖掘?
数据库开发
11+阅读 · 2017年10月22日
一个人的企业安全建设之路
FreeBuf
5+阅读 · 2017年7月7日
A Survey on Bayesian Deep Learning
Arxiv
64+阅读 · 2020年7月2日
Anomalous Instance Detection in Deep Learning: A Survey
Few-shot Learning: A Survey
Arxiv
363+阅读 · 2019年4月10日
Arxiv
136+阅读 · 2018年10月8日
Arxiv
4+阅读 · 2018年10月5日
Arxiv
7+阅读 · 2018年3月19日
VIP会员
最新内容
人工智能在战场行动中的演进及伊朗案例
专知会员服务
2+阅读 · 今天13:08
美AI公司Anthropic推出网络安全模型“Mythos”
专知会员服务
2+阅读 · 今天12:58
【博士论文】面向城市环境的可解释计算机视觉
专知会员服务
0+阅读 · 今天12:57
大语言模型的自改进机制:技术综述与未来展望
专知会员服务
0+阅读 · 今天12:50
《第四代军事特种作战部队选拔与评估》
专知会员服务
1+阅读 · 今天6:23
相关VIP内容
相关资讯
转岗产品经理,花了3个月都做不好需求工作
人人都是产品经理
10+阅读 · 2019年9月16日
体系化入门AI产品经理,应该如何学习
人人都是产品经理
7+阅读 · 2019年5月4日
如何成为一名商业产品经理?
产品100干货速递
6+阅读 · 2018年10月18日
“搞机器学习没前途”
CSDN
236+阅读 · 2018年9月12日
AI产品经理从业指南
产品经理读书会
5+阅读 · 2018年8月11日
Python 如何快速入门?
大数据技术
11+阅读 · 2018年4月9日
如何系统地学习数据挖掘?
数据库开发
11+阅读 · 2017年10月22日
一个人的企业安全建设之路
FreeBuf
5+阅读 · 2017年7月7日
相关论文
A Survey on Bayesian Deep Learning
Arxiv
64+阅读 · 2020年7月2日
Anomalous Instance Detection in Deep Learning: A Survey
Few-shot Learning: A Survey
Arxiv
363+阅读 · 2019年4月10日
Arxiv
136+阅读 · 2018年10月8日
Arxiv
4+阅读 · 2018年10月5日
Arxiv
7+阅读 · 2018年3月19日
Top
微信扫码咨询专知VIP会员