百度正用谷歌AlphaGo,解决一个比围棋更难的问题 | 300块GPU在燃烧

2019 年 3 月 6 日 量子位
晓查 发自 凹非寺 
量子位 报道 | 公众号 QbitAI

9102年,人类依然不断回想起围棋技艺被AlphaGo所碾压的恐怖。

却也有不以为然的声音:只会下棋的AI,再厉害也还是个运动员啊!

百度说:你们错了,它还是一位数学家。

百度硅谷AI实验室的同学们,就在用这个出自谷歌DeepMind的围棋算法,解决一个比围棋复杂得多的数学问题。

为了重新训练这个算法,百度用了300张1080Ti和2080Ti显卡。

他们解决的问题,叫做“图着色问题”,又叫着色问题,属于前些天让中国奥数队全军覆没的图论。它是最著名的NP-完全问题之一。

简单来说,就是用尽可能少的颜色,给一张图的顶点上色,保证相邻顶点的颜色不重复。

10个顶点的简单版是这样的:

而复杂版……只要顶点足够多,分分钟让人类数学家无从下手,如果有512个顶点,这个问题的复杂度会比围棋高出几百个数量级。

在这个数学问题上,运动员AlphaGo表现优秀,最高能将一张图所用的颜色减少10%。

从四色定理谈起

就算你对“图论”、“着色问题”这些词有点陌生,应该也听说过“四色定理”。这是第一个由计算辅助证明的数学定理。

四色定理告诉我们,只需4种颜色我们就可以让地图上所有相邻国家的颜色互不相同。

这其实就是一个平面上的着色问题,国家可以简化为顶点,国与国之间的相邻关系可以简化为连接顶点之间的线。对于平面图而言,颜色数k最小等于几?

历史上数学家已经手工证明了五色定理(k=5),但是因为运算量太大,在将颜色数量进一步减少到四种(k=4)时却迟迟无法解决,最终在70年代靠计算机才完成证明。

一般来说,我们可以用贪心算法解决这个问题,其基本思路是:先尝试用一种颜色给尽可能多的点上色,当上一步完成后,再用第二种尽可能多地给其他点上色,然后再加入第三种、第四种等等,直到把整张图填满。

或者是用深度优先搜索算法,先一步步给图像着色,若遇到相邻点颜色相同就回溯,再换一种着色方法,直到问题解决为止。

比围棋世界更复杂

如果图的顶点数比较少,以上两种方法还可行,但随着顶点数的增加,以上两种算法的局限性就暴露了出来。

 用贪心算法着色和最优解的对比

贪心算法会陷入局部最优解,而深度优先搜索算法的运算量会越来越大,以至于完全不可行。

图着色问题的复杂度随着顶点数增加而急剧增长。当顶点数达到512时,其可能得状态数就达到达到了10^790,远超围棋的10^460,当然更是比全宇宙的粒子数10^80多得多。

即使中等大小图的状态数也远超围棋,如果顶点数量达到1000万,复杂度会大得惊人,相当于在1后面有4583万个0。

另外着色问题还有另一个复杂维度,围棋算法可以反复在同一张相同棋盘上进行测试,而图即使顶点相同,因为连接各点的边不相同,结构也不完全相同。

从围棋中获得启发

这些更复杂的问题对算法的训练和推理提出了极大的挑战。而AlphaGo曾在解决这类复杂问题上取得了很大的成功,研究人员也很自然的想到了用它来解决图的着色问题。

对于这类问题,我们一般采用启发式搜索算法(heuristic search),就是在状态空间中的搜索对每一个搜索的位置进行评估,得到最好的位置,再从这个位置进行搜索直到达到目标。

AlphaGo使用的蒙特卡洛树搜索(MCTS)用的就是一种启发式搜索算法。

 蒙特卡洛树搜索算法示意图:选择路径;扩展树;由神经网络执行模拟;将最终结果反向传播,更新路径节点。

AlphaGo下棋通过正是这种方法,计算当前棋盘上获胜概率最大的点,直到赢棋为止。

图着色问题与围棋也有类似之处,它的每一步棋就是给接下来的点填上颜色。它和围棋和象棋一样都可以用强化学习来解决问题,差别则是奖励。

在图着色问题中,最明显的奖励选择是颜色种类,使用的种类越少越好。而在围棋和象棋中,奖励是游戏的胜负结果。

在棋类游戏中,让算法在自我对弈中进化是很一件很自然的事,让表现最好的学习算法与自己对抗,这就是AlphaGo的升级版本AlphaGo Zero

AlphaGo Zero没有学习人类棋谱,它只是懂得围棋规则,在不断的对弈中获得提高,谷歌只用了21天,就让这个0基础的升级版打败了5-0战胜柯洁的AlphaGo Master版。

当AlphaGo进化到自学版本AlphaGo Zero后,它就更适合做图着色问题了,因为着色问题是没有所谓“人类棋谱”可以学习的。

在图着色问题种,研究人员让AlphaGo Zero与其他算法比赛,看谁用的颜色种类少,这就是算法的奖励机制。

原理

和AlphaGo一样,图着色算法也有策略网络(p-network)和价值网络(v-network),p是顶点涂某种颜色的概率,v是最终颜色数量少于之前最佳算法结果的概率。

而在围棋游戏中,p代表落子位置的概率,v代表最终获胜的概率。

为此,研究人员设计了一个快速着色网络(FastColorNet)。

对于这个网络,有如下要求:

1、可扩展性(Scalability):线性O(V)或线性对数O(E+VlogV)时间复杂度,保证它在更大的图形(比如1000万顶点)上也能使用。

2、完整图形上下文(Full Graph Context):不同的图有不同的着色策略,因此网络需要有图形结构的信息。

我们将该网络的损失定义为:

π代表当前行走步数,z代表当前使用的颜色数。

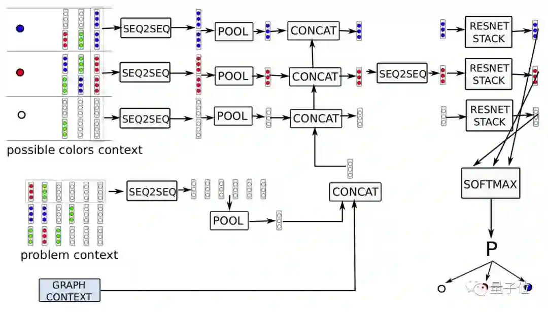
上图就是FastColorNet的架构。它的输入包含两个部分:问题上下文(problem context)和可能颜色上下文(possible color context)。

问题上下文(problem context)是根据刚刚着色的顶点,来安排接下来对哪些顶点进行着色。它在任务开始和结束的时候都是零。问题上下文中包含的顶点数是一个超参数,在实验中设置为8。

可能颜色上下文(possible color context)是以上顶点集合每种可能用到的颜色。它也是一个超参数,在实验中设置为4。

以上两个上下文都输入当策略网络和价值网络中。

策略网络使用全局图形上下文(global graph context),它负责计算将每个颜色选择分配给当前顶点的概率。

随着填充过程的进行,颜色数量会逐渐增加。为了支持颜色数量的变化,它会首先独立处理每种颜色,产生一个非标准化分数,然后通过seq2seq模型对该分数进行处理,该模型还会考虑与其他颜色的依赖性。最终通过softmax操作得出归一化的填充颜色概率。

策略网络利用了具有相同颜色的节点之间的局部关系,提高了准确性,同时还降低了大图计算的时间复杂度。

价值网络负责从输入数据预测着色问题最终的结果。 问题上下文(problem context)中的顶点与着色顺序存储在对应的序列中。使用seq2seq模型处理此序列,然后将这个序列与图形上下文(graph context)组合起来,并将它们馈送到完全连接的reLU层中,最终结果输入softmax,计算出胜利、失败或平局的概率。

结果

研究人员用FastColorNet的强化学习过程来训练图着色问题,图形大小从32个顶点到1000万个顶点不等。

上图显示了图所需颜色的数量如何随顶点数量的增长而增长。

在32K到16M个顶点的图上进行测试,FastColor在训练集中使用的颜色比以往的启发式搜索算法提高了5%-10%。 尽管在测试集有所逊色,但性能也比先前的算法高出1%-2%。

虽然提升比例看起来不高,但这种算法显示出解决此类问题的潜力。Twitter上一位网友这样评价:这篇文章以线性复杂度O(n)解决了一个NP困难问题。

论文地址:
https://arxiv.org/abs/1902.10162

订阅AI内参,获取AI行业资讯

购买AI书籍

诚挚招聘

量子位正在招募编辑/记者,工作地点在北京中关村。期待有才气、有热情的同学加入我们!相关细节,请在量子位公众号(QbitAI)对话界面,回复“招聘”两个字。

量子位 QbitAI · 头条号签约作者

վ'ᴗ' ի 追踪AI技术和产品新动态

喜欢就点「好看」吧 !

登录查看更多
0

相关内容

AlphaGo 是一款人工智能围棋程序,由被 Google 收购的 DeepMind 公司开发。 2015年10月,AlphaGo v13 在与职业棋手、欧洲冠军 樊麾二段 的五番棋比赛中,以 5:0 获胜。2016年3月9日 - 15日,AlphaGo v18 在与韩国职业棋手 李世石九段 的五番棋比赛中,以 4:1 获胜,赛后,AlphaGo 荣获韩国棋院授予的「第〇〇一号 名誉九段」证书。2016年7月19日,AlphaGo 在 GoRantings 世界围棋排名中超过柯洁,成为世界第一。
[ICML-Google]先宽后窄:对深度薄网络的有效训练
专知会员服务
36+阅读 · 2020年7月5日
多智能体深度强化学习的若干关键科学问题
专知会员服务
195+阅读 · 2020年5月24日
模型压缩究竟在做什么?我们真的需要模型压缩么?
专知会员服务
28+阅读 · 2020年1月16日
【强化学习】深度强化学习初学者指南
专知会员服务
184+阅读 · 2019年12月14日
人工智能学习笔记,247页pdf
专知会员服务
188+阅读 · 2019年12月14日
【深度学习】深度学习的问题究竟在哪?
产业智能官
4+阅读 · 2019年8月30日
AI上色对比人工调色 :结果令人难以置信
网易智能菌
8+阅读 · 2019年4月25日
一张通往计算机世界的地图
中科院物理所
8+阅读 · 2017年10月12日
Arxiv
8+阅读 · 2019年3月21日
Arxiv
5+阅读 · 2018年10月4日
Arxiv
3+阅读 · 2018年4月9日
VIP会员
最新内容
人工智能在战场行动中的演进及伊朗案例
专知会员服务
2+阅读 · 今天13:08
美AI公司Anthropic推出网络安全模型“Mythos”
专知会员服务
2+阅读 · 今天12:58
【博士论文】面向城市环境的可解释计算机视觉
专知会员服务
0+阅读 · 今天12:57
大语言模型的自改进机制:技术综述与未来展望
专知会员服务
0+阅读 · 今天12:50
《第四代军事特种作战部队选拔与评估》
专知会员服务
1+阅读 · 今天6:23
不对称优势上升:自主系统如何强化海上拒止
专知会员服务
1+阅读 · 今天5:51
相关VIP内容
[ICML-Google]先宽后窄:对深度薄网络的有效训练
专知会员服务
36+阅读 · 2020年7月5日
多智能体深度强化学习的若干关键科学问题
专知会员服务
195+阅读 · 2020年5月24日
模型压缩究竟在做什么?我们真的需要模型压缩么?
专知会员服务
28+阅读 · 2020年1月16日
【强化学习】深度强化学习初学者指南
专知会员服务
184+阅读 · 2019年12月14日
人工智能学习笔记,247页pdf
专知会员服务
188+阅读 · 2019年12月14日
Top
微信扫码咨询专知VIP会员