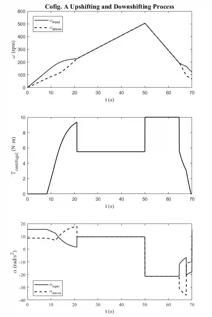
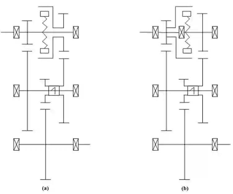
This paper presents a comprehensive numerical analysis of centrifugal clutch systems integrated with a two-speed automatic transmission, a key component in automotive torque transfer. Centrifugal clutches enable torque transmission based on rotational speed without external controls. The study systematically examines various clutch configurations effects on transmission dynamics, focusing on torque transfer, upshifting, and downshifting behaviors under different conditions. A Deep Neural Network (DNN) model predicts clutch engagement using parameters such as spring preload and shoe mass, offering an efficient alternative to complex simulations. The integration of deep learning and numerical modeling provides critical insights for optimizing clutch designs, enhancing transmission performance and efficiency.


翻译:本文对集成于双速自动变速器中的离心式离合器系统进行了全面的数值分析,该系统是汽车扭矩传递的关键部件。离心式离合器能够基于转速实现扭矩传递,无需外部控制。本研究系统性地考察了不同离合器配置对变速器动力学的影响,重点关注不同工况下的扭矩传递、升档和降档行为。采用深度神经网络(DNN)模型,通过弹簧预紧力和蹄块质量等参数预测离合器接合状态,为复杂的仿真提供了一种高效替代方案。深度学习与数值建模的结合为优化离合器设计、提升变速器性能与效率提供了关键见解。

0
下载
关闭预览

相关内容

FlowQA: Grasping Flow in History for Conversational Machine Comprehension
专知会员服务
34+阅读 · 2019年10月18日
Stabilizing Transformers for Reinforcement Learning
专知会员服务
60+阅读 · 2019年10月17日
《DeepGCNs: Making GCNs Go as Deep as CNNs》
专知会员服务
32+阅读 · 2019年10月17日
Keras François Chollet 《Deep Learning with Python 》, 386页pdf
专知会员服务
164+阅读 · 2019年10月12日
Hierarchically Structured Meta-learning
CreateAMind
27+阅读 · 2019年5月22日
Transferring Knowledge across Learning Processes
CreateAMind
29+阅读 · 2019年5月18日
强化学习的Unsupervised Meta-Learning
CreateAMind
18+阅读 · 2019年1月7日
Unsupervised Learning via Meta-Learning
CreateAMind
44+阅读 · 2019年1月3日
meta learning 17年:MAML SNAIL
CreateAMind
11+阅读 · 2019年1月2日
A Technical Overview of AI & ML in 2018 & Trends for 2019
待字闺中
18+阅读 · 2018年12月24日
disentangled-representation-papers
CreateAMind
26+阅读 · 2018年9月12日
STRCF for Visual Object Tracking
统计学习与视觉计算组
15+阅读 · 2018年5月29日
Focal Loss for Dense Object Detection
统计学习与视觉计算组
12+阅读 · 2018年3月15日
IJCAI | Cascade Dynamics Modeling with Attention-based RNN
KingsGarden
13+阅读 · 2017年7月16日
国家自然科学基金
2+阅读 · 2017年12月31日
国家自然科学基金
13+阅读 · 2017年12月31日
国家自然科学基金
2+阅读 · 2015年12月31日
国家自然科学基金
0+阅读 · 2015年12月31日
国家自然科学基金
0+阅读 · 2015年12月31日
国家自然科学基金
47+阅读 · 2015年12月31日
国家自然科学基金
2+阅读 · 2015年12月31日
国家自然科学基金
0+阅读 · 2014年12月31日
国家自然科学基金
0+阅读 · 2014年12月31日
VIP会员
最新内容
人工智能在战场行动中的演进及伊朗案例
专知会员服务
7+阅读 · 4月18日
美AI公司Anthropic推出网络安全模型“Mythos”
专知会员服务
4+阅读 · 4月18日
【博士论文】面向城市环境的可解释计算机视觉
大语言模型的自改进机制:技术综述与未来展望
《第四代军事特种作战部队选拔与评估》
专知会员服务
3+阅读 · 4月18日
相关VIP内容
FlowQA: Grasping Flow in History for Conversational Machine Comprehension
专知会员服务
34+阅读 · 2019年10月18日
Stabilizing Transformers for Reinforcement Learning
专知会员服务
60+阅读 · 2019年10月17日
《DeepGCNs: Making GCNs Go as Deep as CNNs》
专知会员服务
32+阅读 · 2019年10月17日
Keras François Chollet 《Deep Learning with Python 》, 386页pdf
专知会员服务
164+阅读 · 2019年10月12日
相关资讯
Hierarchically Structured Meta-learning
CreateAMind
27+阅读 · 2019年5月22日
Transferring Knowledge across Learning Processes
CreateAMind
29+阅读 · 2019年5月18日
强化学习的Unsupervised Meta-Learning
CreateAMind
18+阅读 · 2019年1月7日
Unsupervised Learning via Meta-Learning
CreateAMind
44+阅读 · 2019年1月3日
meta learning 17年:MAML SNAIL
CreateAMind
11+阅读 · 2019年1月2日
A Technical Overview of AI & ML in 2018 & Trends for 2019
待字闺中
18+阅读 · 2018年12月24日
disentangled-representation-papers
CreateAMind
26+阅读 · 2018年9月12日
STRCF for Visual Object Tracking
统计学习与视觉计算组
15+阅读 · 2018年5月29日
Focal Loss for Dense Object Detection
统计学习与视觉计算组
12+阅读 · 2018年3月15日
IJCAI | Cascade Dynamics Modeling with Attention-based RNN
KingsGarden
13+阅读 · 2017年7月16日
相关基金
国家自然科学基金
2+阅读 · 2017年12月31日
国家自然科学基金
13+阅读 · 2017年12月31日
国家自然科学基金
2+阅读 · 2015年12月31日
国家自然科学基金
0+阅读 · 2015年12月31日
国家自然科学基金
0+阅读 · 2015年12月31日
国家自然科学基金
47+阅读 · 2015年12月31日
国家自然科学基金
2+阅读 · 2015年12月31日
国家自然科学基金
0+阅读 · 2014年12月31日
国家自然科学基金
0+阅读 · 2014年12月31日
Top
微信扫码咨询专知VIP会员