基于模型的复杂机电系统创新设计

2019 年 5 月 22 日 科技导报

本文旨在构建基于模型的复杂机电系统创新设计方法,以支持项目式教学与学习,该方法包括项目过程模型和设计对象模型,以微动摩擦磨损试验系统为设计对象,对所提出的方法进行应用验证。



近年来,随着工程教育改革的推进,越来越多的高校开始实施项目式教学(project-based teachingPBT)或学习方法(project-based learningPBL),且多以复杂机电系统作为设计实践对象。复杂机电系统是由机、电、液、光等多物理过程,多单元技术,集成于机械载体而形成整体功能的复杂装备,具备复杂性、系统性和耦合性等特征;在结构方面主要包括机械本体、控制器、驱动装置(包括动力源、执行装置和传动机构)、传感器及计算机 5部分;在功能方面,复杂机电系统通过对物质、能量和信息的变换,从而实现特定功能。

   

目前,设计科学研究领域及系统工程领域已有许多支持复杂机电系统设计的教程和方法。在教程方面,德国的 Phal等、美国的 Dieter等分别提出了系统化工程设计方法,美国的Ulrich等从商业角度出发构建了更为普遍适用的产品设计与开发方法,美国的Ullman等提出了机械设计过程方法。上述教程为复杂机电系统设计与开发提供了可借鉴的流程、方法和工具。在设计方法方面,设计领域还有许多可以指导学生团队进行设计实践的方法,例如 FBSfunction-behaviour-structure)模型以及各类扩展的FBS模型、公理化设计方法以数据驱动的创新设计方法等,上述方法主要集中在创新设计层面。然而,正如Tomiyma等的综述文章所指出的,学术界所提出的设计理论与方法仍未得到工业届的普遍认可和使用,其原因在于还缺乏系统考虑如何实施设计过程和如何围绕设计对象逐步开展设计的方法,即缺少关注设计知识的数字化和模型化表达、模型的标准化、基于模型的知识流动机制、模型如何集成的研究。

   

在系统工程方面,基于模型的系统工程方法(model-based system engineeringMBSE)是工业界正在积极推动的系统化设计方法,其可以应用的建模语言包括UML以及基于 UML发展起来的 SysML语言,上述语言详细地规定了如何基于模型开展设计的过程,如何以设计对象为中心构建设计对象模型,目前已有许多可以使用的工具。在专门针对复杂机电系统的设计方法方面,Shetty等介绍了机电一体化关键元素,即信息系统、机械系统、电气系统和计算机系统,系统地介绍了复杂机电系统的建模和仿真方法。钟掘构建了面向复杂机电系统的耦合设计理论与方法,从多学科耦合与模块系统集成的角度为复杂机电系统的设计与开发提供了理论与方法。Barbieri等提出了基于模型的机电系统设计方法,并以简单系统为例进行了实践。

   

目前已经有许多理论、方法和工具可用于指导复杂机电系统的设计与实践,然而项目式教学实践表明,在复杂机电系统的创新设计过程中,学生团队仍主要借助团队讨论、采取试错法进行复杂机电系统的设计与实践。目前,还缺少适用于学生团队开展复杂机电系统创新设计的系统化方法。本文旨在构建基于模型的复杂机电系统创新设计方法,以支持项目式教学与学习,该方法包括项目过程模型和设计对象模型,以微动摩擦磨损试验系统为设计对象,对所提出的方法进行应用验证。

   

基于模型的复杂机电系统创新设计

 

问题的提出及研究范围的界定

 

传统创新设计是一个解决从需求到功能实现的过程,在这一过程中,涉及到对需求(功能需求、性能需求)、环境、功能、行为、结构等基本概念的形式化表达,并构建概念和概念之间的关联关系,形成设计方案,如图 1所示。但是,在这一过程中缺乏与设计知识明确关联的研究,未强调基于模型的设计。项目式教学与学习强调以项目为牵引、基于团队的设计与实践。在教学方法方面或讲授工程设计过程与方法或采取教练式教学方法;在实践方面,强调以学生为中心的团队实践。但是,目前普遍缺少基于模型的设计方法论也缺少基于模型的易操作设计工具。有别于有经验的工程师,学生团队具备创造力强、知识和经验不足以及缺少系统化设计方法等特点,因此学生团队在进行设计时一旦形成概念便寻求解决方案及进行原型制作,通常会带来设计迭代乃至设计失败的结果。

   

图1  项目式教学与学习主要内容及其问题


面向复杂机电系统的创新设计,方法论和工具的缺失会影响项目式团队的设计沟通、设计效率,同时还会影响设计结果。针对学生团队的复杂机电系统的创新设计,本文将设计范围限定到从需求分析到原理样机实现层面,不涉及之后的工程样机阶段。基于上述范围,构建面向复杂机电系统的项目过程模型和设计对象模型。

   

项目过程模型

 

综合项目管理、工程设计相关理论和方法,构建如图 2所示的设计过程模型,基于该模型支持项目式团队基于设计过程模型开展项目式学习与实践。需要注意的是,该项目过程模型用以支持项目式团队规划项目任务及过程,适用于设计过程各个阶段。

   

图 2  设计过程模型


设计对象模型

 

由于设计具有过程性和对象性双重属性,设计的过程实际上是设计对象随着设计过程不断进化的过程,亦即设计对象知识完整度不断提高的过程。因此,基于系统化设计方法和基于模型的系统工程方法并结合 SysML建模语言,可以建立如图 3所示的设计对象模型。其中图 3a)为基于扩展 FBS的设计对象模型,图 3b)为基于 SysML的设计对象知识表达模型。

   

图 3  设计对象模型


应用案例

 

针对本科生项目式团队,基于上述基于模型的设计方法,以上海图阅智能科技有限公司的 SysGraph Modeler为建模工具,以摩擦磨损试验机为设计对象,进行复杂机电系统的创新设计与开发。

   

项目过程模型

 

项目任务为针对微振动摩擦磨损中的常见模型球-面接触,探究和评估振动类型、正压力等外界因素对材料微动磨损性能的影响,设计并搭建微动摩擦试验平台及微动模拟机构,获取其运动学和动力学参数。面向上述复杂机电系统,采取如图 2所示基于模型的项目过程管理方法,构建如图 4所示的项目过程模型以指导学生基于项目过程模型实施项目任务计划,从而完成微动摩擦磨损试验系统的创新设计与样机开发。其中,图 4a)为基于模型的项目背景描述,图 4b)为工作任务分解模型,图 4c)为本项目任务-人员责任分配矩阵,图4d)为项目时间管理模型。

   

图 4  微动摩擦磨损试验机项目过程模型


设计对象模型

 

FBS扩展模型为指导,基于 SysML建模语言针对微动摩擦磨损试验机进行设计,构建以下模型:组织架构、需求(利益相关者需求、试验机系统需求)、试验机功能结构、系统结构、试验机接口定义以及行为模型,而后采用 SysGraph Modeler工具进行建模实践,以下以模型组织架构图和系统结构图为示例说明如何采用 SysGraph Modeler开展基于模型的复杂机电系统的设计。

   

5为基于 SysGraph Modeler构建的微动摩擦磨损试验机的组织架构模型图,其中包括需求、结构、行为、参数和单位库 5个包图,包图中所包含的元素可在图中右侧图谱结构中进行查询。以 SysGraph Modeler 为建模工具的复杂机电系统创新设计即不断对上述包图进行细化和实例化。基于模型的设计过程即设计对象从抽象到具体,设计对象知识模型从不完整到相对完整的过程。

   

图 5  微动摩擦磨损试验机组织架构模型


6为基于 SysGraph Modeler构建的微动摩擦磨损试验机的系统需求模型图,该模型是对图 5中抽象的需求模型的进一步细化。需求模型中,包括利益相关者需求和系统需求两部分,前者是从用户的角度描述需求,例如用户需要试验机频率高等;后者是从产品的角度描述,例如,试验机的频率应达到多少、载荷范围应为多少等。系统需求详细描述了包括功能需求、性能需求、接口需求、物理需求以及设计约束等在内的系统开发需求,包图中所包含的元素,可在右侧图谱结构中进行查询。

   

图 6  微动摩擦磨损试验机系统需求模型


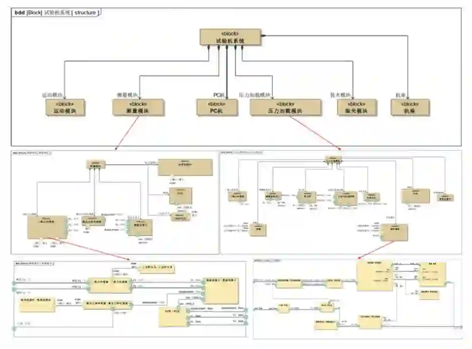
7为基于 Sysgraph Modeler构建的微动摩擦磨损试验机的系统结构模型图,该模型包括运动模块、测量模块、PC机、压力加载模块、装夹模块和基座模块。针对模型中各模块逐一进行细化可构建针对整个微动摩擦磨损试验机的结构模型。由图 7可知,基于复杂机电系统的结构模型图,可以进行结构模块的划分和模块的逐级细化,从而完成系统结构模型的构建。

   

图 7  微动摩擦磨损试验机系统结构模型


8为基于项目过程模型和基于设计对象模型所开发的微动摩擦磨损试验机物理样机。该试验机中的各模块与图7所示系统结构模型相对应。

   

图8  微动摩擦磨损试验机样机


结论

 

1)构建了基于模型的复杂机电系统创新设计模型,可以有效规划项目流程、明确项目任务分工,进而提高设计效率。

   

2)构建了基于模型的复杂机电系统设计对象模型,为复杂机电系统设计提供一种系统化设计方法,同时可以提高设计沟通效率。

  

 3)采取本文所提出的方法并应用 SysGraph Modeler系统建模工具,可用于复杂机电系统的创新设计。

   

致谢   尹念、王力、黄稹敏、王静茹、戴京航、黄子钊同学在摩擦磨损试验系统实现方面做出一定贡献;上海图阅智能科技有限公司提供SysGraph Modeler及在建模方面给予支持。

   

参考文献(略)


 

作者简介


作者简介:张执南,上海交通大学机械与动力工程学院,副教授,研究方向为创新设计理论与方法、摩擦学系统建模与分析


注:本文发表于《科技导报》2019 年第7期,敬请关注


(责任编辑   祝叶华)



登录查看更多
1

相关内容

设计是对现有状的一种重新认识和打破重组的过程,设计让一切变得更美。
FPGA加速系统开发工具设计:综述与实践
专知会员服务
69+阅读 · 2020年6月24日
专知会员服务
81+阅读 · 2020年6月20日
人机对抗智能技术
专知会员服务
214+阅读 · 2020年5月3日
基于视觉的三维重建关键技术研究综述
专知会员服务
166+阅读 · 2020年5月1日
【天津大学】风格线条画生成技术综述
专知会员服务
35+阅读 · 2020年4月26日
基于深度学习的多标签生成研究进展
专知会员服务
147+阅读 · 2020年4月25日
基于深度学习的行人重识别研究进展,自动化学报
专知会员服务
39+阅读 · 2019年12月5日
Acta Mater. 基于机器学习设计出新型超高强不锈钢
材料科学与工程
5+阅读 · 2019年9月2日
MBSE应用于航空产品研发的适航管理
科技导报
14+阅读 · 2019年4月26日
10000个科学难题 • 制造科学卷
科学出版社
13+阅读 · 2018年11月29日
展望:模型驱动的深度学习
人工智能学家
12+阅读 · 2018年1月23日
Arxiv
8+阅读 · 2018年11月27日
VIP会员
最新内容
BES:让语言模型通过双向进化搜索自我改进
专知会员服务
2+阅读 · 5月30日
以色列-美国-伊朗战争中的无人机:关键要点
专知会员服务
4+阅读 · 5月30日
《Palantir任务保障性软件安全标准(MA-S2)》
专知会员服务
9+阅读 · 5月30日
基于声学的无人机检测技术综述
专知会员服务
5+阅读 · 5月30日
《当代混合战争分析框架:俄乌战争经验教训》
战略前沿人工智能的再思考(中文)
专知会员服务
7+阅读 · 5月29日
《量化地基防空系统间接效应的博弈论方法》
专知会员服务
5+阅读 · 5月29日
相关VIP内容
FPGA加速系统开发工具设计:综述与实践
专知会员服务
69+阅读 · 2020年6月24日
专知会员服务
81+阅读 · 2020年6月20日
人机对抗智能技术
专知会员服务
214+阅读 · 2020年5月3日
基于视觉的三维重建关键技术研究综述
专知会员服务
166+阅读 · 2020年5月1日
【天津大学】风格线条画生成技术综述
专知会员服务
35+阅读 · 2020年4月26日
基于深度学习的多标签生成研究进展
专知会员服务
147+阅读 · 2020年4月25日
基于深度学习的行人重识别研究进展,自动化学报
专知会员服务
39+阅读 · 2019年12月5日
相关资讯
Acta Mater. 基于机器学习设计出新型超高强不锈钢
材料科学与工程
5+阅读 · 2019年9月2日
MBSE应用于航空产品研发的适航管理
科技导报
14+阅读 · 2019年4月26日
10000个科学难题 • 制造科学卷
科学出版社
13+阅读 · 2018年11月29日
展望:模型驱动的深度学习
人工智能学家
12+阅读 · 2018年1月23日
Top
微信扫码咨询专知VIP会员