CVPR2019通用目标检测

2019 年 8 月 6 日 极市平台

加入极市专业CV交流群,与6000+来自腾讯,华为,百度,北大,清华,中科院等名企名校视觉开发者互动交流!更有机会与李开复老师等大牛群内互动!

同时提供每月大咖直播分享、真实项目需求对接、干货资讯汇总,行业技术交流点击文末“阅读原文”立刻申请入群~


作者:啦啦啦

授权转载自知乎

https://zhuanlan.zhihu.com/p/66117460



《Towards Universal Object Detection by Domain Attention》

论文地址:https://arxiv.org/abs/1904.04402


该论文提出了一个通用的物体检测模型,适用于任一目标检测场景,在多个数据集上表现良好。该模型基于SENet,将多个SENet得到的特征图连接在一起,并且提出了domain attention,将其施加在连接好的特征图后,这样能够使模型更好地适应不同场景下的目标检测任务。


论文中指出,以往训练的目标检测模型基本都是针对某一领域、某一场景或某一数据集下的目标检测任务(放屁),这些目标检测模型如下图所示:


然后将这些模型组合在一起,就能更好地完成多场景检测任务,如下图所示:


论文基于此思想,使用了多个SENet来实现通用目标检测,并且提出了Domain attention,这个attention机制应该是用来让模型适应不同场景下的目标检测任务,原文是这么说的:

there is no need to request that each detector operates on a single domain, and a soft domain-assignment makes more sense.

 (所以现在的attention机制既能在时空上加权,又能在通道上加权,还能在场景上加权???大家可以集思广益,看看还有什么地方有加attention的操作)


首先,需要介绍一下SENet,下面是SENet模型的结构图:


这里用残差结构是因为使用了残差结构后SENet模型可以随意插入其他的模块,更多的就不介绍了,看我博客上的SENet的Pytorch代码就够清晰了:blog.csdn.net/qq_359850

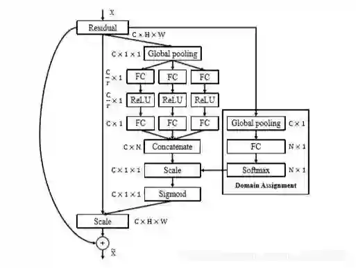
然后是论文提出的模型结构:




由上图可以看到,该模型就是将多个SENet得到的结果连接到一起,同时提出一个Domain Assignment结构,该结构也基本上是借鉴SENet的,用于在检测场景上施加Attention操作,最后得到一个综合了通道attention和domain attention的CX1X1的结构,该结构最后和原特征图做channel-wise multiplication。过程比较简单,论文里的公式都不想写过来了。


‍‍


-完-




*延伸阅读



点击"阅读原文"查看更多技术干货,添加极市小助手微信(ID : cv-mart),备注:研究方向-姓名-学校/公司-城市(如:目标检测-小极-北大-深圳),即可申请加入目标检测、目标跟踪、人脸、工业检测、医学影像、三维&SLAM、图像分割等极市技术交流群,更有每月大咖直播分享、真实项目需求对接、干货资讯汇总,行业技术交流一起来让思想之光照的更远吧~


△长按添加极市小助手


△长按关注极市平台


觉得有用麻烦给个在看啦~  

登录查看更多
8

相关内容

3D目标检测进展综述
专知会员服务
193+阅读 · 2020年4月24日
CVPR2020 | 商汤-港中文等提出PV-RCNN:3D目标检测新网络
专知会员服务
45+阅读 · 2020年4月17日
专知会员服务
55+阅读 · 2020年3月16日
必读的10篇 CVPR 2019【生成对抗网络】相关论文和代码
专知会员服务
33+阅读 · 2020年1月10日
CVPR2019 | 文本检测算法综述
极市平台
34+阅读 · 2019年5月30日
图像分类:常用分类网络结构(附论文下载)
极市平台
13+阅读 · 2019年4月8日
综述 | CVPR2019目标检测方法进展
计算机视觉life
15+阅读 · 2019年4月3日
CVPR2019目标检测方法进展综述
极市平台
45+阅读 · 2019年3月20日
CVPR2019 | Stereo R-CNN 3D 目标检测
极市平台
27+阅读 · 2019年3月10日
CVPR2019 | FSAF:来自CMU的Single-Shot目标检测算法
极市平台
41+阅读 · 2019年3月8日
CVPR2018 目标检测算法总览(最新的目标检测论文)
极市平台
21+阅读 · 2018年12月21日
基于深度学习的图像目标检测(下)
机器学习研究会
12+阅读 · 2018年1月1日
Arxiv
25+阅读 · 2020年3月11日
Mesh R-CNN
Arxiv
4+阅读 · 2019年6月6日
Arxiv
7+阅读 · 2018年3月19日
Arxiv
7+阅读 · 2018年1月24日
Arxiv
4+阅读 · 2017年11月14日
VIP会员
最新内容
战略前沿人工智能的再思考(中文)
专知会员服务
5+阅读 · 5月29日
《量化地基防空系统间接效应的博弈论方法》
专知会员服务
5+阅读 · 5月29日
“史诗怒火行动”中美军损失的作战飞机
专知会员服务
5+阅读 · 5月29日
ICML 2026 | 理解上下文持续学习中的泛化与遗忘
专知会员服务
5+阅读 · 5月28日
Agent Harness综述:大模型智能体执行器工程全景
专知会员服务
15+阅读 · 5月28日
《基于理论的威慑效能评估》
专知会员服务
8+阅读 · 5月28日
相关VIP内容
3D目标检测进展综述
专知会员服务
193+阅读 · 2020年4月24日
CVPR2020 | 商汤-港中文等提出PV-RCNN:3D目标检测新网络
专知会员服务
45+阅读 · 2020年4月17日
专知会员服务
55+阅读 · 2020年3月16日
必读的10篇 CVPR 2019【生成对抗网络】相关论文和代码
专知会员服务
33+阅读 · 2020年1月10日
相关资讯
CVPR2019 | 文本检测算法综述
极市平台
34+阅读 · 2019年5月30日
图像分类:常用分类网络结构(附论文下载)
极市平台
13+阅读 · 2019年4月8日
综述 | CVPR2019目标检测方法进展
计算机视觉life
15+阅读 · 2019年4月3日
CVPR2019目标检测方法进展综述
极市平台
45+阅读 · 2019年3月20日
CVPR2019 | Stereo R-CNN 3D 目标检测
极市平台
27+阅读 · 2019年3月10日
CVPR2019 | FSAF:来自CMU的Single-Shot目标检测算法
极市平台
41+阅读 · 2019年3月8日
CVPR2018 目标检测算法总览(最新的目标检测论文)
极市平台
21+阅读 · 2018年12月21日
基于深度学习的图像目标检测(下)
机器学习研究会
12+阅读 · 2018年1月1日
相关论文
Arxiv
25+阅读 · 2020年3月11日
Mesh R-CNN
Arxiv
4+阅读 · 2019年6月6日
Arxiv
7+阅读 · 2018年3月19日
Arxiv
7+阅读 · 2018年1月24日
Arxiv
4+阅读 · 2017年11月14日
Top
微信扫码咨询专知VIP会员